MPB030BAB/E220V550W Magnetic Gear Pump 0.9ml/rev. with Three-Phase Asynchronous Motor
MPB030BAB/E220V550W Magnetic Gear Pump 0.9ml/rev. with Three-Phase Asynchronous Motor

MPB series gear pump
The MPB series magnetic drive gear pump is a new type of gear pump. The gears are made of high-performance engineering plastic PEEK, and the housing and gear shaft are made of high-quality 316L stainless steel. The sealing ring (FKM) structure is sealed, which has stronger wear resistance and high temperature resistance, and is more stable. By coupling internal and external magnetic drives to transmit power, leak free transportation can be achieved. Suitable for applications that require precise flow control, high purity and non pollution of liquids, such as chemical, medical, filling, printing and coding industries, new energy vehicles, laboratories and other industrial fields.
The MPB030 magnetic drive gear pump provides a completely sealed pump chamber. No pulsation, no leakage, low noise, high performance, compact size, long lifespan. To solve the working condition of 0.015-3.0L/min flow rate, 0.5-10bar differential pressure.
- No pulse accurate delivery
Through the gears to provide continuous accurate fluid transportation. with servo and stepper motor delivery accuracy of ±0.5%. - Strong vacuum suction capacity
High and Stable Conveyance Pressure. High pressure delivery in low viscosity liquids. - No leakage
Magnetic drive and static O-ring seal can ensure that the medium in the pump is isolated from the outside world to achieve no leakage. - Low Noise
Torque is transmitted through magnetic coupling, avoiding the mechanical contact of traditional pumps. Helical gears are designed for a smooth meshing process, reducing friction, impact and vibration. - Long Lifespan
High-performance and precision technology, advanced craftsmanship to extend its operational lifespan.
Descriptions
MP series micro magnetic gear pumps are a advanced type of gear pump. The gears are made of high-performance engineering plastic PEEK, while the housing and gear shaft are crafted from premium 316L stainless steel.The sealing material is static O-ring FKM or PTFE.
FKM has stronger wear resistance and high temperature performance, and PTFE has stronger acid, alkali and corrosion resistance. Power transmission is achieved through internal and external magnetic coupling, guaranteeing leak-free conveyance. Ideal for applications requiring precise flow control, high purity, and non-contamination of liquids. MP micro magnetic gear pumps are applicable for Deionized water, methanol, urea solution, kerosene, additives, lubricating oil, lye, ammonia solution, cobalt solution, dialysate, ethylene glycol, freon, ink, glycerin, phenolic resin, curing agent, essence Fragrance, fluorinated liquid pumping system.
Features
- All parts of the pump body passing through the liquid are made of food-contact grade materials, which can meet the delivery and filling of daily drinking products.
- Magnetic drive, static sealing greatly improves the service life of the product, and truly no leakage.
- The use of high-quality PEEK gears, self-lubricating, self-priming without pre-adding liquid, and strong pressure output, can cope with all kinds of complex working conditions.
- The pulsation-free output allows for smooth conveyance of the medium and the measurement of the product at the same time
Model Specification
| Model | MPB | 030 | B | A | B | / | E | 220V | 550W |
| Position | 1 | 2 | 3 | 4 | 5 | 6 | 7 | 8 | 9 |
| 1 | Pump Series | MPB: Rubber O-Ring Seal MPC: PTFE gasket seal MPD: Direct Drive (non-magnetic) |
|||||||
| 2 | Flow | 0-3.0L/min | |||||||
| 3 | Pump Body | A:304; B:316L; C:PPS; D:Hastelloy; E: Titanium alloy | |||||||
| 4 | Gear/Shaft | A: Gear PEEK+ shaft 316L B: Gear PEEK+ shaft ceramic C: Gear PEEK+ shaft tungsten steel D: Gear PEEK+shaft titanium alloy |
|||||||
| 5 | Inlet/Outlet Thread | A: G1/8 B: G1/4 C: G3/8 D: G1/2 E: G3/4 F: G1 ” G: G1″1/4 H: other customzations; (Letter: tooth) 1:25.4 2:34 3:38 4:50.5 5:640: Other customizations (Number: Chuck) |
|||||||
| 6 | / | / | |||||||
| 7 | Motor | A: BL - Brushless DC Motor B: DC - Brushed DC Motor C: SM - Stepper Motor D: SVCA - Servo Motor E: ACIM - Three-Phase Asynchronous Motor F: ACIMB - Three-Phase Asynchronous Explosion-Proof Motor G: BLB - Brushless DC Explosion-Proof Motor |
|||||||
| 8 | Voltage | 12V: 12V DC 24V: 24V DC 48V: 48V DC 220V: Single phase 220V AC 50Hz 380V: Three phase 380V AC 50Hz |
|||||||
| 9 | Power | 30W/40W/60W /70W /80W/100W/110W/150W/200W/250W/300W/370W/400W/550W/750W/1000W | |||||||
Technical Paramaters
| Parameter | Specification |
|---|---|
| Medium Viscosity: | 0~3000 cps |
| Medium Temperature: | -30℃~120℃ |
| Inlet/Outlet Pressure: | 10 Bar |
| Medium Type: | Almost all liquids (except strong acids/alkalis) |
| Inlet Filter: | Recommended: 400 mesh |
| Inlet Vacuum: | -0.85 Bar |
| Drive Motor: | 550W Three-Phase Asynchronous Motor |
| Operating Noise: | <55 dB at 2800 rpm |
| Operating Speed: | 0~2800 rpm |
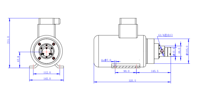
Dimensions


Installation and usage instructions
1. Remove the inlet and outlet plugs and install matching threaded joints. The inlet and outlet joints of the pump must be wrapped with raw material tape, especially at the inlet, as there will be no suction if there is air leakage.
2. The pump should be placed as close as possible to the liquid source, and the size of the inlet and outlet pipes should not be smaller than the size of the pump body joint. The pipe length should be shortened as much as possible, and if the pipe is too long, the pipe diameter should be increased.
3. Install in the direction indicated by the arrow on the end cap during installation, otherwise liquid cannot be absorbed.

4. Please ensure that there is liquid inside the pump body. If the dismantling pipe is not used for a long time, please install a plug to protect the gear. Otherwise, dry transfer may cause permanent damage to the pump.
5. When using the pump for the first time, please flush the pump pipeline and install a filter in the inlet pipe. The filtration accuracy requires that the particle diameter in the liquid be less than 20 microns.
6. When the pump is working continuously, please cool it down in a timely manner.
Applications
With the rapid development of domestic micro magnetic pump technology, micro magnetic pump has been widely used in various fields of society, such as food and beverage, cosmetics, mechanical coding, life science, chemical measurement, etc., and has gradually become an indispensable core component of industrial equipment

